Products
Pancake / Compression Disk Load Cells
Applications
Our compact, low-profile pancake load cell installs easily and sets up quickly. Available in various sizes and capacities. Transcell compression disks are well suited for weighing applications and testing, including:
- Tanks
- Hoppers
- Silos
- Presses
- And more
Need a Custom Solution?
Contact UsFeatures & Benefits
- Nickel-plated alloy steel construction
- Low sensitivity to extraneous loads
- High stability
- Corrosion resistant
- Compact design
Technical Specifications
View All Model Details
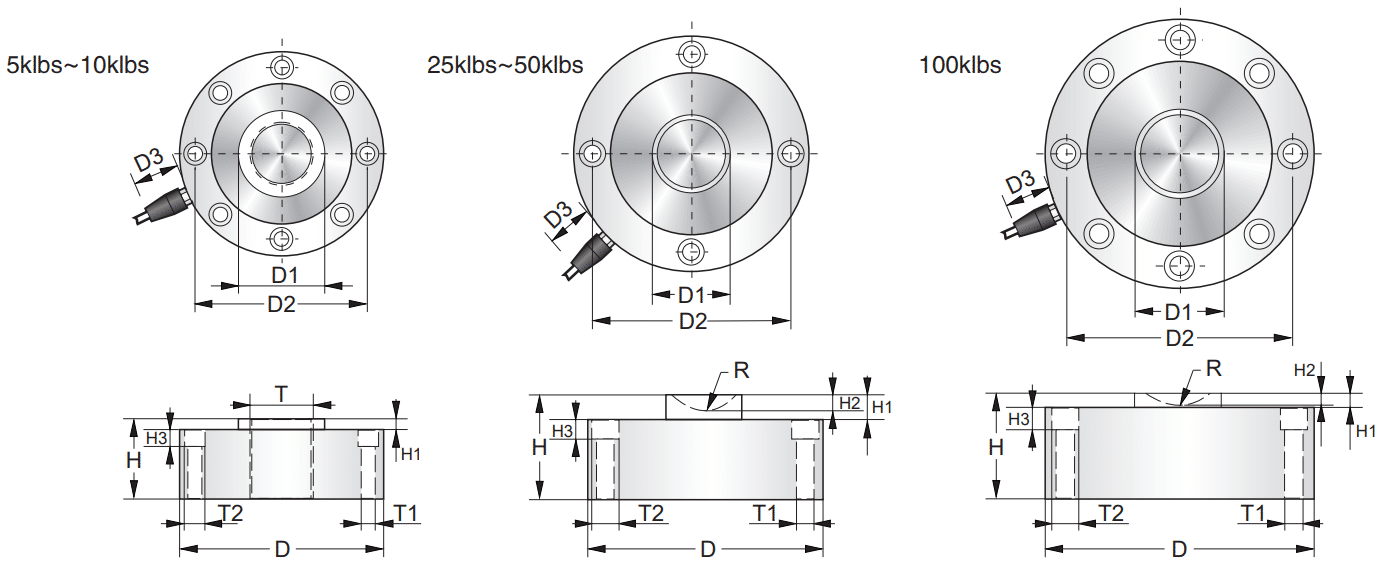
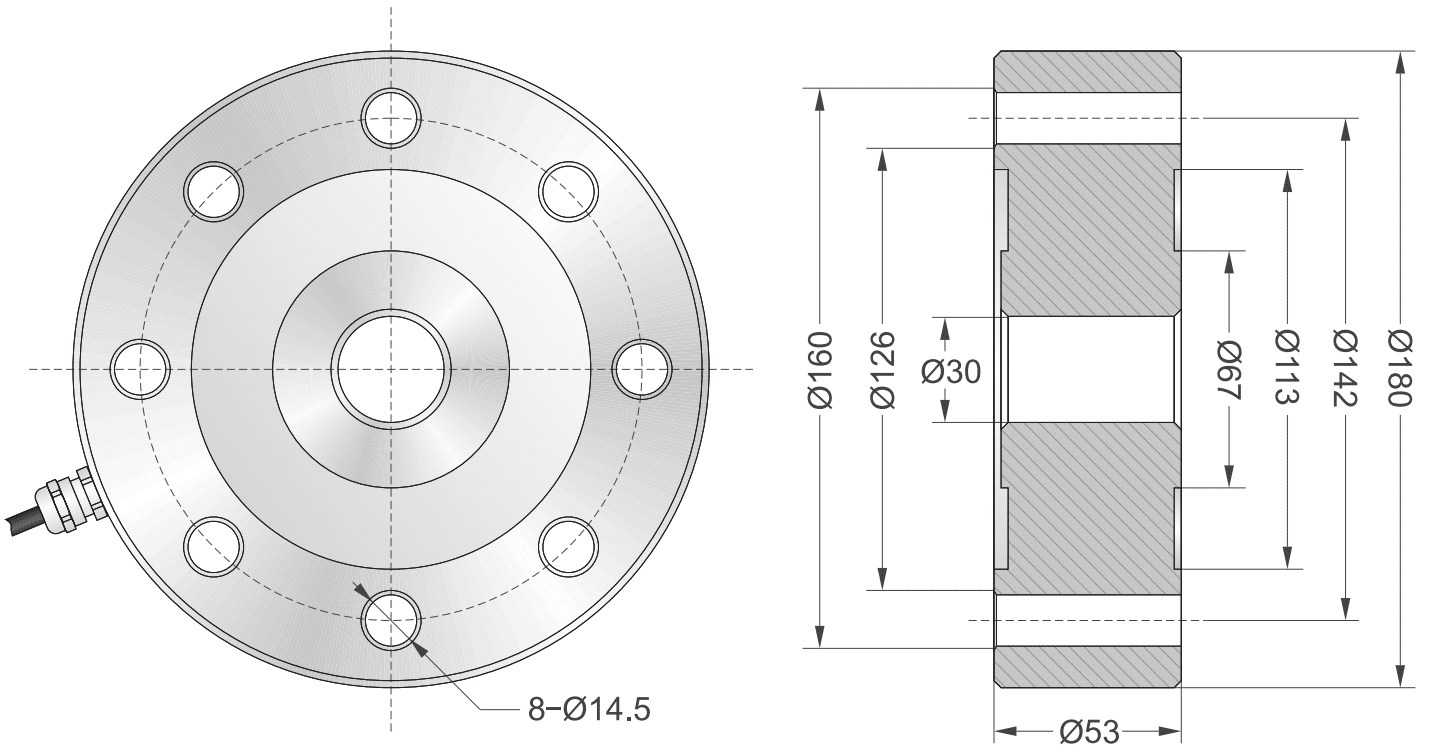
DBSL V18.5
DBSL (200t) V18.5
DBSL-HT (1t)
DBSL-HT (3t-5t) V19.9
DBSL-KH V18.5
DBSLS
DBSL-SA V18.4
DBSL-SJ (0.5t~2t) V18.5
DBSL-SJ (5t~30t) V18.5
DBSL-TJ (1t_2t) V18.5
DBSL-XS (5t_10t) V18.4
DBSL-XS (20t) V18.4
DBSL-XS (60t/100t) V18.4
PTCH V18.4
PTCH (60t_100t) V18.6
PTCT V18.5
PTFT V18.4
PTFT (200t) V18.5
PTFT (500t) V19.5
PTSD V18.5
PTSH V18.5
PTST V18.5
PTST (50t/100t) V19.2
PWCD V18.5
DBSL V18.5
| Specifications | |
|---|---|
| Rated Output | 3.0mV/V ± 0.25% |
| Zero Balance | ± 1% of rated output |
| Creep | ± 0.03% of applied load |
| Nonlinearity | ± 0.03% of rated output |
| Hysteresis | ± 0.03% of rated output |
| Repeatability | ± 0.03% of rated output |
| Temp Effect on Output | ± 0.002% of reading/°C |
| Temp Effect on Zero | ± 0.002% of output/°C |
| Cable Length | 6m [19.69ft] / 10m [32.81ft] |
| Safe Temp Range | -10 to +70°C |
| Temp Comp Range | -10 to +40°C |
| Safe Overload | 150% of capacity |
| Input Impedance | 775 Ω / 387 Ω (≤20t) |
| Output Impedance | 700 Ω / 350 Ω (≤20t) |
| Insulation Resistance | 5000 MΩ |
| Rated Excitation | 10 V DC/AC |
| Max Excitation | 15 V DC/AC |
DBSL-200t V18.5
| Specifications | |
|---|---|
| Rated Output | 2.0mV/V ± 0.25% |
| Zero Balance | ± 1% of rated output |
| Creep | ± 0.5% of applied load |
| Nonlinearity | ± 0.5% of rated output |
| Hysteresis | ± 0.5% of rated output |
| Repeatability | ± 0.5% of rated output |
| Temp Effect on Output | ± 0.002% of reading/°C |
| Temp Effect on Zero | ± 0.002% of output/°C |
| Cable Length | 6m [19.69ft] |
| Safe Temp Range | -10 to +70°C |
| Temp Comp Range | -10 to +40°C |
| Safe Overload | 150% of capacity |
| Input Impedance | 775 Ω |
| Output Impedance | 700 Ω |
| Insulation Resistance | 5000 MΩ |
| Rated Excitation | 10 V DC/AC |
| Max Excitation | 15 V DC/AC |
DBSL-HT (1t)
| Specifications | |
|---|---|
| Rated Output | 0.6mV/V (Dual signal) |
| Zero Balance | ± 5% of rated output |
| Comprehensive Error | ± 1% of rated output |
| Safe Temp Range | -20 to +70°C |
| Storage Temp | -40 to +80°C |
| Bridge Impedance | 350 Ω |
| Insulation Resistance | 5000 MΩ |
| Rated Excitation | 10 V DC/AC |
| Safe Overload | 150% of capacity |
DBSL-HT (3t-5t) V19.9/h3>
| Specifications | |
|---|---|
| Rated Output | 0-5 VDC |
| Zero Balance | ± 5% of rated output |
| Combined Error | ± 1% of rated output |
| Repeatability | ± 0.25% of rated output |
| Operating Temp Range | -10 to +70°C |
| Bridge Resistance | 700 Ω |
| Insulation Resistance | 5000 MΩ |
| Max Excitation | 24 V DC/AC |
| Safe Overload | 150% of capacity |
| Cable Length | 1.25m [4.10ft] |
DBSL-KH V18.5
| Specifications | |
|---|---|
| Rated Output | 3.0mV/V ± 0.25% |
| Zero Balance | ± 1% of rated output |
| Creep | ± 0.03% of applied load |
| Nonlinearity | ± 0.03% of rated output |
| Hysteresis | ± 0.03% of rated output |
| Repeatability | ± 0.03% of rated output |
| Temp Effect on Output | ± 0.002% of reading/°C |
| Temp Effect on Zero | ± 0.002% of output/°C |
| Cable Length | 6m [20.28ft] |
| Safe Temp Range | -10 to +70°C |
| Temp Comp Range | -10 to +40°C |
| Safe Overload | 150% of capacity |
| Input Impedance | 775 Ω |
| Output Impedance | 700 Ω |
| Insulation Resistance | 5000 MΩ |
| Rated Excitation | 10 V DC/AC |
| Max Excitation | 15 V DC/AC |
DBSLS
| Specifications | |
|---|---|
| Rated Output | 1.75mV/V ± 15% |
| Zero Balance | ± 1% of rated output |
| Creep | ± 0.5% of applied load |
| Nonlinearity | ± 0.5% of rated output |
| Hysteresis | ± 0.5% of rated output |
| Repeatability | ± 0.5% of rated output |
| Temp Effect on Output | ± 0.002% of reading/°C |
| Temp Effect on Zero | ± 0.002% of output/°C |
| Cable Length | 5m [16.9ft] |
| Safe Temp Range | -10 to +70°C |
| Temp Comp Range | -10 to +40°C |
| Safe Overload | 150% of capacity |
| Input Impedance | 387 Ω |
| Output Impedance | 350 Ω |
| Insulation Resistance | 5000 MΩ |
| Rated Excitation | 10 V DC/AC |
| Max Excitation | 15 V DC/AC |
DBSL-SA V18.4
| Specifications | |
|---|---|
| Rated Output | 2.0mV/V ± 0.25% |
| Zero Balance | ± 1% of rated output |
| Creep | ± 0.03% of applied load |
| Nonlinearity | ± 0.03% of rated output |
| Hysteresis | ± 0.03% of rated output |
| Repeatability | ± 0.03% of rated output |
| Temp Effect on Output | ± 0.002% of reading/°C |
| Temp Effect on Zero | ± 0.002% of output/°C |
| Cable Length | 6m [20.28ft] |
| Safe Temp Range | -10 to +70°C |
| Temp Comp Range | -10 to +40°C |
| Safe Overload | 150% of capacity |
| Input Impedance | 775 Ω |
| Output Impedance | 700 Ω |
| Insulation Resistance | 5000 MΩ |
| Rated Excitation | 10 V DC/AC |
| Max Excitation | 15 V DC/AC |
DBSL-SJ (0.5t-2.0t) V18.5
| Specifications | |
|---|---|
| Rated Output | 2.0mV/V ± 0.25% |
| Zero Balance | ± 1% of rated output |
| Creep | ± 0.03% of applied load |
| Nonlinearity | ± 0.1% of rated output |
| Hysteresis | ± 0.1% of rated output |
| Repeatability | ± 0.03% of rated output |
| Temp Effect on Output | ± 0.002% of reading/°C |
| Temp Effect on Zero | ± 0.002% of output/°C |
| Cable Length | 5m [16.9ft] |
| Safe Temp Range | -10 to +70°C |
| Temp Comp Range | -10 to +40°C |
| Safe Overload | 150% of capacity |
| Input Impedance | 387 Ω |
| Output Impedance | 350 Ω |
| Insulation Resistance | 5000 MΩ |
| Rated Excitation | 10 V DC/AC |
| Max Excitation | 15 V DC/AC |
DBSL-SJ (5t~30t) V18.5
| Specifications | |
|---|---|
| Rated Output | 2.0mV/V ± 0.25% |
| Zero Balance | ± 1% of rated output |
| Creep | ± 0.03% of applied load |
| Nonlinearity | ± 0.1% of rated output |
| Hysteresis | ± 0.1% of rated output |
| Repeatability | ± 0.03% of rated output |
| Temp Effect on Output | ± 0.002% of reading/°C |
| Temp Effect on Zero | ± 0.002% of output/°C |
| Cable Length | 5m [16.9ft] |
| Safe Temp Range | -10 to +70°C |
| Temp Comp Range | -10 to +40°C |
| Safe Overload | 150% of capacity |
| Input Impedance | 387 Ω |
| Output Impedance | 350 Ω |
| Insulation Resistance | 5000 MΩ |
| Rated Excitation | 10 V DC/AC |
| Max Excitation | 15 V DC/AC |
DBSL-TJ (1t_2t) V18.5
| Specifications | |
|---|---|
| Rated Output | 2.0mV/V ± 0.25% |
| Zero Balance | ± 1% of rated output |
| Creep | ± 0.03% of applied load |
| Nonlinearity | ± 0.1% of rated output |
| Hysteresis | ± 0.1% of rated output |
| Repeatability | ± 0.03% of rated output |
| Temp Effect on Output | ± 0.002% of reading/°C |
| Temp Effect on Zero | ± 0.002% of output/°C |
| Cable Length | 5m [16.9ft] |
| Safe Temp Range | -10 to +70°C |
| Temp Comp Range | -10 to +40°C |
| Safe Overload | 150% of capacity |
| Input Impedance | 387 Ω |
| Output Impedance | 350 Ω |
| Insulation Resistance | 5000 MΩ |
| Rated Excitation | 10 V DC/AC |
| Max Excitation | 15 V DC/AC |
DBSL-TJ (50t_120t) V18.5
| Specifications | |
|---|---|
| Rated Output | 2.0mV/V ± 0.25% |
| Zero Balance | ± 1% of rated output |
| Creep | ± 0.1% of applied load |
| Nonlinearity | ± 0.1% of rated output |
| Hysteresis | ± 0.1% of rated output |
| Repeatability | ± 0.1% of rated output |
| Temp Effect on Output | ± 0.002% of reading/°C |
| Temp Effect on Zero | ± 0.002% of output/°C |
| Cable Length | 6m [20.28ft] |
| Safe Temp Range | -10 to +70°C |
| Temp Comp Range | -10 to +40°C |
| Safe Overload | 150% of capacity |
| Input Impedance | 775 Ω |
| Output Impedance | 700 Ω |
| Insulation Resistance | 5000 MΩ |
| Rated Excitation | 10 V DC/AC |
| Max Excitation | 15 V DC/AC |
DBSL-XS (5t_10t) V18.4
| Specifications | |
|---|---|
| Rated Output | 3.0mV/V ± 0.25% |
| Zero Balance | ± 1% of rated output |
| Creep | ± 0.03% of applied load |
| Nonlinearity | ± 0.03% of rated output |
| Hysteresis | ± 0.03% of rated output |
| Repeatability | ± 0.03% of rated output |
| Temp Effect on Output | ± 0.002% of reading/°C |
| Temp Effect on Zero | ± 0.002% of output/°C |
| Cable Length | 6m [20.28ft] |
| Safe Temp Range | -10 to +70°C |
| Temp Comp Range | -10 to +40°C |
| Safe Overload | 150% of capacity |
| Input Impedance | 387 Ω |
| Output Impedance | 350 Ω |
| Insulation Resistance | 5000 MΩ |
| Rated Excitation | 10 V DC/AC |
| Max Excitation | 15 V DC/AC |
DBSL-XS (20t) V18.4
| Specifications | |
|---|---|
| Rated Output | 3.0mV/V ± 0.25% |
| Zero Balance | ± 1% of rated output |
| Creep | ± 0.03% of applied load |
| Nonlinearity | ± 0.03% of rated output |
| Hysteresis | ± 0.03% of rated output |
| Repeatability | ± 0.03% of rated output |
| Temp Effect on Output | ± 0.002% of reading/°C |
| Temp Effect on Zero | ± 0.002% of output/°C |
| Cable Length | 6m [20.28ft] |
| Safe Temp Range | -10 to +70°C |
| Temp Comp Range | -10 to +40°C |
| Safe Overload | 150% of capacity |
| Input Impedance | 775 Ω |
| Output Impedance | 700 Ω |
| Insulation Resistance | 5000 MΩ |
| Rated Excitation | 10 V DC/AC |
| Max Excitation | 15 V DC/AC |
DBSL-XS (60t/100t) V18.4
| Specifications | |
|---|---|
| Rated Output | 3.0mV/V ± 0.25% |
| Zero Balance | ± 1% of rated output |
| Creep | ± 0.03% of applied load |
| Nonlinearity | ± 0.03% of rated output |
| Hysteresis | ± 0.03% of rated output |
| Repeatability | ± 0.03% of rated output |
| Temp Effect on Output | ± 0.002% of reading/°C |
| Temp Effect on Zero | ± 0.002% of output/°C |
| Cable Length | 6m [19.69ft] / 10m [32.81ft] |
| Safe Temp Range | -10 to +70°C |
| Temp Comp Range | -10 to +40°C |
| Safe Overload | 150% of capacity |
| Input Impedance | 775 Ω |
| Output Impedance | 700 Ω |
| Insulation Resistance | 5000 MΩ |
| Rated Excitation | 10 V DC/AC |
| Max Excitation | 15 V DC/AC |
PTCH V18.4
| Specifications | |
|---|---|
| Rated Output | 4.0mV/V ± 0.25% |
| Zero Balance | ± 1% of rated output |
| Creep | ± 0.03% of applied load |
| Nonlinearity | ± 0.05% of rated output |
| Hysteresis | ± 0.05% of rated output |
| Repeatability | ± 0.02% of rated output |
| Temp Effect on Output | ± 0.0015% of reading/°C |
| Temp Effect on Zero | ± 0.0026% of output/°C |
| Cable Length | 3m [9.84ft] |
| Safe Temp Range | -20 to +60°C |
| Temp Comp Range | -10 to +40°C |
| Safe Overload | 150% of capacity |
| Input Impedance | 385 Ω |
| Output Impedance | 350 Ω |
| Insulation Resistance | 5000 MΩ |
| Rated Excitation | 10 V DC/AC |
| Max Excitation | 15 V DC/AC |
PTCH (60t_100t) V18.6
| Specifications | |
|---|---|
| Rated Output | 3.0mV/V ± 0.25% |
| Zero Balance | ± 1% of rated output |
| Creep | ± 0.03% of applied load |
| Nonlinearity | ± 0.1% of rated output |
| Hysteresis | ± 0.1% of rated output |
| Repeatability | ± 0.02% of rated output |
| Temp Effect on Output | ± 0.0015% of reading/°C |
| Temp Effect on Zero | ± 0.0026% of output/°C |
| Cable Length | 3m [10.14ft] |
| Safe Temp Range | -20 to +60°C |
| Temp Comp Range | -10 to +40°C |
| Safe Overload | 150% of capacity |
| Input Impedance | 385 Ω |
| Output Impedance | 350 Ω |
| Insulation Resistance | 5000 MΩ |
| Rated Excitation | 10 V DC/AC |
| Max Excitation | 15 V DC/AC |
PTCT V18.5
| Specifications | |
|---|---|
| Rated Output | 4.0mV/V ± 0.25% |
| Zero Balance | ± 1% of rated output |
| Creep | ± 0.03% of applied load |
| Nonlinearity | ± 0.05% of rated output |
| Hysteresis | ± 0.05% of rated output |
| Repeatability | ± 0.02% of rated output |
| Temp Effect on Output | ± 0.0015% of reading/°C |
| Temp Effect on Zero | ± 0.0026% of output/°C |
| Cable Length | 3m [9.84ft] |
| Safe Temp Range | -20 to +60°C |
| Temp Comp Range | -10 to +40°C |
| Safe Overload | 150% of capacity |
| Input Impedance | 385 Ω / 770 Ω (100klbs) |
| Output Impedance | 350 Ω / 700 Ω (100klbs) |
| Insulation Resistance | 5000 MΩ |
| Rated Excitation | 10 V DC/AC |
| Max Excitation | 15 V DC/AC |
PTFT V18.4
| Specifications | |
|---|---|
| Rated Output | 2.0mV/V ± 10% |
| Zero Balance | ± 1% of rated output |
| Creep | ± 0.05% of applied load |
| Nonlinearity | ± 0.1% of rated output |
| Hysteresis | ± 0.1% of rated output |
| Repeatability | ± 0.05% of rated output |
| Temp Effect on Output | ± 0.0015% of reading/°C |
| Temp Effect on Zero | ± 0.0026% of output/°C |
| Cable Length | 3m [9.84ft] |
| Safe Temp Range | -20 to +60°C |
| Temp Comp Range | -10 to +40°C |
| Safe Overload | 150% of capacity |
| Input Impedance | 350 Ω / 1050 Ω (100kg/200kg) |
| Output Impedance | 350 Ω / 1050 Ω (100kg/200kg) |
| Insulation Resistance | 5000 MΩ |
| Rated Excitation | 10 V DC/AC |
| Max Excitation | 15 V DC/AC |
PTFT (200t) V18.5
| Specifications | |
|---|---|
| Rated Output | 2.0mV/V ± 5% |
| Zero Balance | ± 3% of rated output |
| Creep | ± 0.03% of applied load |
| Nonlinearity | ± 0.1% of rated output |
| Hysteresis | ± 0.1% of rated output |
| Repeatability | ± 0.02% of rated output |
| Temp Effect on Output | ± 0.0015% of reading/°C |
| Temp Effect on Zero | ± 0.0026% of output/°C |
| Cable Length | 3m [10.14ft] |
| Safe Temp Range | -20 to +60°C |
| Temp Comp Range | -10 to +40°C |
| Safe Overload | 150% of capacity |
| Input Impedance | 410 Ω |
| Output Impedance | 350 Ω |
| Insulation Resistance | 5000 MΩ |
| Rated Excitation | 10 V DC/AC |
| Max Excitation | 15 V DC/AC |
PTFT (500t) V19.5
| Specifications | |
|---|---|
| Rated Output | 2.0mV/V ± 0.2 mV/V |
| Zero Balance | ± 0.015mV/V |
| Creep | ± 0.05% of applied load |
| Nonlinearity | ± 0.2% of rated output |
| Hysteresis | ± 0.2% of rated output |
| Repeatability | ± 0.1% of rated output |
| Temp Effect on Output | ± 0.015% of reading/°C |
| Temp Effect on Zero | ± 0.026% of output/°C |
| Cable Length | 5m [16.9ft] |
| Safe Temp Range | -20 to +60°C |
| Temp Comp Range | -10 to +40°C |
| Safe Overload | 200% of capacity |
| Input Impedance | 770 Ω |
| Output Impedance | 700 Ω |
| Insulation Resistance | 5000 MΩ |
PTSD V18.5
| Specifications | |
|---|---|
| Rated Output | 3.0mV/V ± 0.25% |
| Zero Balance | ± 1% of rated output |
| Creep | ± 0.03% of applied load |
| Nonlinearity | ± 0.025% of rated output |
| Hysteresis | ± 0.025% of rated output |
| Repeatability | ± 0.02% of rated output |
| Temp Effect on Output | ± 0.0015% of reading/°C |
| Temp Effect on Zero | ± 0.0026% of output/°C |
| Cable Length | 3m [10.14ft] |
| Safe Temp Range | -20 to +60°C |
| Temp Comp Range | -10 to +40°C |
| Safe Overload | 150% of capacity |
| Input Impedance | 385 Ω |
| Output Impedance | 350 Ω |
| Insulation Resistance | 5000 MΩ |
| Rated Excitation | 10 V DC/AC |
| Max Excitation | 15 V DC/AC |
PTSH V18.5
| Specifications | |
|---|---|
| Rated Output | 3.0mV/V ± 0.25% |
| Zero Balance | ± 1% of rated output |
| Creep | ± 0.03% of applied load |
| Nonlinearity | ± 0.05% of rated output |
| Hysteresis | ± 0.05% of rated output |
| Repeatability | ± 0.02% of rated output |
| Temp Effect on Output | ± 0.0015% of reading/°C |
| Temp Effect on Zero | ± 0.0026% of output/°C |
| Cable Length | 3m [10.14ft] |
| Safe Temp Range | -20 to +60°C |
| Temp Comp Range | -10 to +40°C |
| Safe Overload | 150% of capacity |
| Input Impedance | 385 Ω |
| Output Impedance | 350 Ω |
| Insulation Resistance | 5000 MΩ |
| Rated Excitation | 10 V DC/AC |
| Max Excitation | 15 V DC/AC |
PTST V18.5
| Specifications | |
|---|---|
| Rated Output | 3.0mV/V ± 0.25% |
| Zero Balance | ± 1% of rated output |
| Creep | ± 0.03% of applied load |
| Nonlinearity | ± 0.05% of rated output |
| Hysteresis | ± 0.05% of rated output |
| Repeatability | ± 0.02% of rated output |
| Temp Effect on Output | ± 0.0015% of reading/°C |
| Temp Effect on Zero | ± 0.0026% of output/°C |
| Cable Length | 3m [10.14ft] |
| Safe Temp Range | -20 to +60°C |
| Temp Comp Range | -10 to +40°C |
| Safe Overload | 150% of capacity |
| Input Impedance | 385 Ω |
| Output Impedance | 350 Ω |
| Insulation Resistance | 5000 MΩ |
| Rated Excitation | 10 V DC/AC |
| Max Excitation | 15 V DC/AC |
PTST (50t/100t) V19.2
| Specifications | |
|---|---|
| Rated Output | 3.0mV/V ± 0.25% |
| Zero Balance | ± 1% of rated output |
| Creep | ± 0.03% of applied load |
| Nonlinearity | ± 0.1% of rated output |
| Hysteresis | ± 0.1% of rated output |
| Repeatability | ± 0.02% of rated output |
| Temp Effect on Output | ± 0.0015% of reading/°C |
| Temp Effect on Zero | ± 0.0026% of output/°C |
| Cable Length | 3m [9.84ft] |
| Safe Temp Range | -20 to +60°C |
| Temp Comp Range | -10 to +40°C |
| Safe Overload | 150% of capacity |
| Input Impedance | 770 Ω (50t) / 385 Ω (100t) |
| Output Impedance | 700 Ω (50t) / 350 Ω (100t) |
| Insulation Resistance | 5000 MΩ |
| Rated Excitation | 10 V DC/AC |
| Max Excitation | 15 V DC/AC |
PWCD V18.5
| Specifications | |
|---|---|
| Rated Output | 4.0mV/V ± 0.25% |
| Zero Balance | ± 1% of rated output |
| Creep | ± 0.03% of applied load |
| Nonlinearity | ± 0.05% of rated output |
| Hysteresis | ± 0.05% of rated output |
| Repeatability | ± 0.02% of rated output |
| Temp Effect on Output | ± 0.0015% of reading/°C |
| Temp Effect on Zero | ± 0.0026% of output/°C |
| Cable Length | 3m [10.14ft] |
| Safe Temp Range | -20 to +60°C |
| Temp Comp Range | -10 to +40°C |
| Safe Overload | 150% of capacity |
| Input Impedance | 385 Ω |
| Output Impedance | 350 Ω |
| Insulation Resistance | 5000 MΩ |
| Rated Excitation | 10 V DC/AC |
| Max Excitation | 15 V DC/AC |
| DBSL V18.5 | View Sheet |
| DBSL-200t V18.5 | View Sheet |
| DBSL-HT-1t_Datasheet_Eng | View Sheet |
| DBSL-HT-3t5t-V19.9_compressed | View Sheet |
| DBSL-KH V18.5 | View Sheet |
| DBSLS V18.5 | View Sheet |
| DBSL-SA_Datasheet_Eng._V18.4 | View Sheet |
| DBSL-SJ (0.5t~2t) V18.5 | View Sheet |
| DBSL-TJ (1t 2t) V18.5 | View Sheet |
| DBSL-TJ (50t 120t) V18.5 | View Sheet |
| DBSL-XS (5t 10t)_Datasheet_Eng._V18.4 | View Sheet |
| DBSL-XS (20t)_Datasheet_Eng._V18.4 | View Sheet |
| DBSL-XS (60t 100t)_Datasheet_Eng._V18.4 | View Sheet |
| PTCH_Datasheet_Eng._V18.4 | View Sheet |
| PTCH(60t 100t) V18.6 | View Sheet |
| PTCT V18.5 | View Sheet |
| PTFT V18.4 | View Sheet |
| PTFT-200t_Datasheet_Eng._V18.5 | View Sheet |
| PTFT-500t_Datasheet_Eng._V19.5 | View Sheet |
| PTSD V18.5 | View Sheet |
| PTSH V18.5 | View Sheet |
| PTST V18.5 | View Sheet |
| PTST(50-100t) V19.2 | View Sheet |
| PWCD V18.5 | View Sheet |
IndustriesIndustries
Experience to Solve Your Challenges
Proven product quality and performance combine with our engineering experience to solve force measurement challenges in any industry that need load cells and related force sensing equipment.