Products
Planar Beam
Applications
Transcell planar beam is feature with table type load cell and aluminum construction. It is high-performing, stable and reliable for accurate measurement practice, which makes it perfect for medical weighing and industrial weighing.
Purchase in Our Store
Need a Custom Solution?
Contact UsPlanar Beam Load Cells
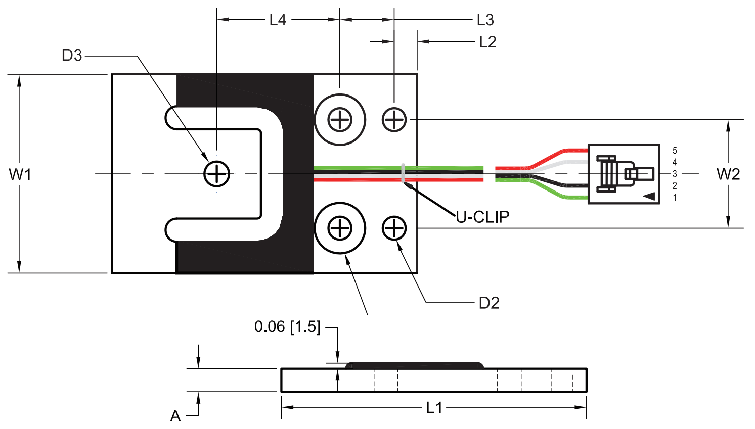
- Tablet Type Load Cell
- Easy To Install
- Stable and Reliable
- Aluminum Construction
*Suitable for medical weighing, industrial weighing
Technical Specifications
View All Model Details
TPB V18.3 - Planar Beam
| Specifications | |
|---|---|
| Rated Output | 0.9mV/V ± 0.1% |
| Zero Balance | ± 5% of rated output |
| Creep | ± 0.017% of applied load |
| Nonlinearity | ± 0.017% of rated output |
| Hysteresis | ± 0.017% of rated output |
| Temp Effect on Output | ± 0.02% of reading/°C |
| Temp Effect on Zero | ± 0.01% of output/°C |
| Cable Length | 1m (3.75-15kg) / 1.5m (37.5-375kg) |
| Calibration in mV/V/Ω | 0.05% |
| Combined Error | ± 0.02% of rated output |
| Safe Temp Range | -40 to +65°C |
| Temp Comp Range | -10 to +40°C |
| Safe Overload | 300% of capacity |
| Ultimate Overload | 400% of capacity |
| Input Impedance | 1180 Ω |
| Output Impedance | 1000 Ω |
| Insulation Resistance | 5000 MΩ |
| Rated Excitation | 5 V DC/AC |
| Max Excitation | 15 V DC/AC |